350 XT/TT
Titre
 Photo
Présentation générale
 Page 1  Page 2
Caractéristiques générales et réglages
 Page 1  Page 2  Page 3
Particularités techniques
 Distribution  Schéma distrib  Décompresseur/graissage  Carburation 1  Carburation 2  Carburation - Décélération - Allumage - Equipement électrique  Partie cycle
Entretien courant
 Périodicité des entretiens - Graissage moteur - Niveau/vidange  Filtre à huile - Distribution : jeu aux soupapes  Distribution : cales pour jeu aux soupapes  Jeu aux soupapes : cales fin - Réglage du cable du décompresseur  Filtre à air - Filtre à essence et réservoir  Nettoyage du carburateur - Cables de gaz - Ralenti - Synchro ouverture  Bougie - Avance à l'allumage  Embrayage - Transmission secondaire  Colonne de direction - Fourche  Amortisseur - Frein avant  Freins (Purge - Vidange - Plaquettes)  Usure garnitures - Roue avant  Roue arrière - Graissage - Tension des rayons
Guide dépannage
 Le moteur ne démarre pas  Le moteur tourne, mais...  Transmission - Sommaire conseils pratiques
Conseils pratiques
 Carburateur - Pose/dépose - Réglage butée d'ouverture des gaz  Carburateur - Niveau de cuve - Gicleurs - Vis de ralenti - Pointeau - Boisseau  Carburateur - Enrichissement à la décélération - Arbre à cames - Poussoirs - Tendeur de chaine  Remontage et calage de la distribution  Tableau récapitulatif - Vérification de la compression - Resserage de la culasse  Dépose de la culasse - Soupapes - Repose de la culasse  Dépose cylindre - piston - segments - Controle - Remontage  Dépose de l'alternateur  Repose de l'alternateur - Pignon de sortie de boite  Dépose / Repose du couvercle d'embrayage - Prise de compte tours
Kick - décompresseur
 Décompresseur
Embrayage et commande
 Dépose des disques
Controles
Remontage
Réglage de la commande
 Démontage de la transmission primaire
Controles
Remontage de la transmission primaire
Dépose des pignons d'entrainement
Repose et calage
 Chaine de distribution - Patin arrière - Pompe à huile  Pompe à huile - Commande de sélection - Doigt de verrouillage<  Dépose et repose du moteur  Repose du moteur dans le cadre - Ouverture carter  Fermeture carter  Embiellage - Dépose - Controles - Repose  Boite de vitesses - Controle - Repose - Désassemblage  Remontage et repose
Bougie et capuchon
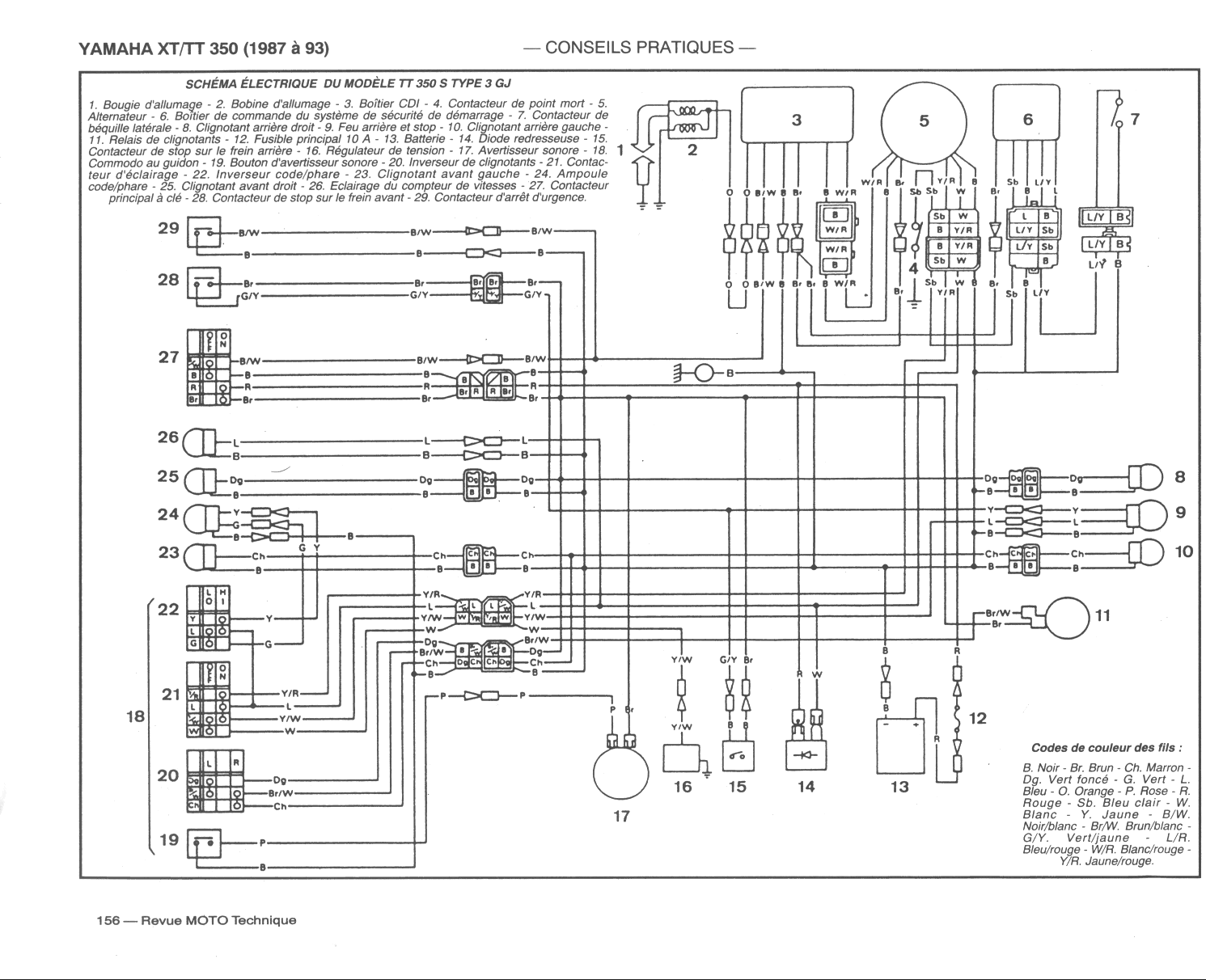
 Cheminement des cables  Bobine - Contacteur et coupe circuit - Bobinage du volant et capteur - Courant de charge - Tension  Schéma électrique  Fourche - Dépose des éléments amortisseurs  Désassemblage des éléments - Controles - Remontage - Repose  Colonne de direction - Démontage - Controle et remplacement des roulements  Suspension arrière - Démontage - Controles  Bras oscillant - Roulements - Remontage - Maitre cylindre  Controles
Etrier avant
Controles
Disque
Frein arrière
 Prix indicatifs des pièces
Additif TT 350 S type 1TJ
 Photo  Introduction  Caractéristiques générales  Particularités techniques - Culasse - Soupapes - Distribution - Graissage  Particularités techniques - Admission - Echappement - Equipement électrique - Partie cycle - Filtre à air  Entretien - Transmission secondaire - Fourche avant - Frein avant  Conseils pratiques - Equipement électrique  Schéma électrique  Cheminement des cables  Fouche avant - Amortisseur  Bras oscillant  Suspension arrière  Frein avant
Evolution technique des XT et TT 350
 TT 350 S types 1TJ et 3GJ  XT 350 (1987 à 1993)  TT 350 (1987 à 1993)  Caractéristiques générales et réglages  Circuit d'allumage  Circuit d'allumage  Boitier de commande - Faisceau électrique  Schéma électrique  Schéma électrique XT  Schéma électrique TT